Published:2009/7/13 21:29:00 Author:May | From:SeekIC



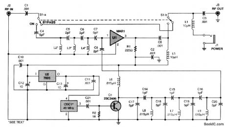
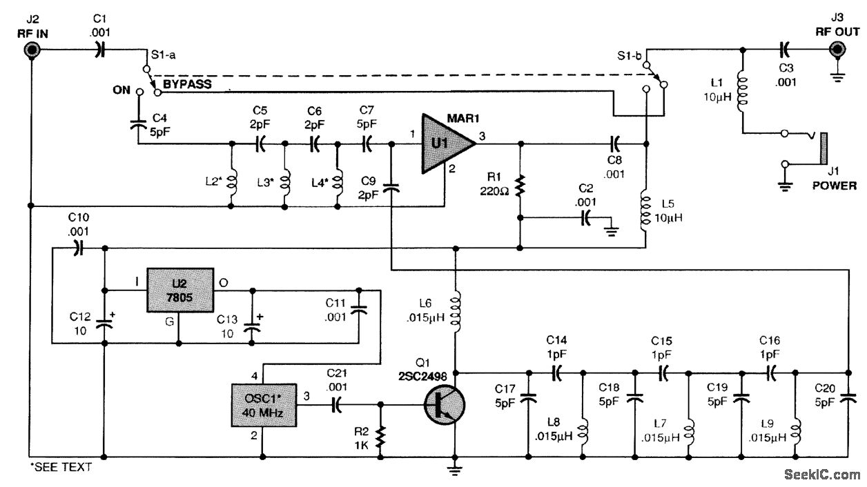
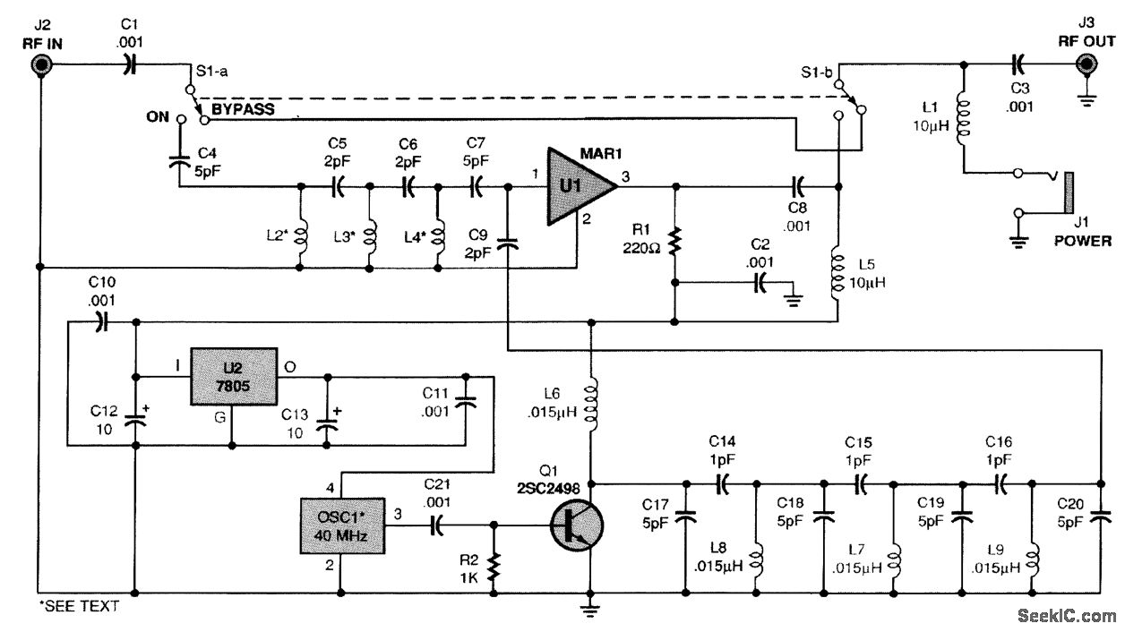
This circuit can be powered from any 9- to 12-Vdc source, including a good alkaline 9-V battery.Switch S1 either puts the unit into its Bypass mode, where a scanner connected to J3 will receive its normal signals, or applies power to the circuit and down-converts all 800- to 950-MHz signals as follows: At the heart of the circuit is OSC1, a 40-MHz oscillator module. Transistor Q1 amplifies the oscillator's output, which is then bandpass filtered four times so that only the tenth harmonic at 400 MHz is presented to the input of U1, a Mini Circuits MAR1 wideband UHF/VHF amplifier. Signals from an antenna connected to J2 are high-pass filtered by capacitors C4 to C7 in conjunction with inductors L2 to L4. Those inductors are etched into the tracings on the PC board, making the exact PC board layout a necessity if the circuit is to function. Mixer U1 amplifies and mixes the two inputs-signals between800 and 950 MHz and the 400-MHz local oscillator-and passes the 400- to 550-MHz output to J3. This converter is not suitable for areas where signal strength is low or areas where a large number of strong signals are present, as no RE stage is used and little input filtering is used be-fore the mixer, making this circuit prone to spurious responses.
Reprinted Url Of This Article:
http://www.seekic.com/circuit_diagram/Basic_Circuit/SIMPLE_SCANNER_CONVERTER.html
Print this Page | Comments | Reading(3)
Code: