Published:2009/7/10 3:00:00 Author:May | From:SeekIC



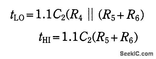
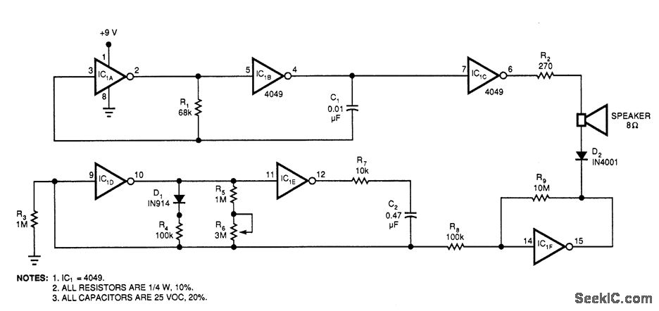
This circuit uses only one IC, produces a pleasant tone, and sports a single control for adjusting the tone's chiming rate. IC1A and IC1B form an astable multi ibrator, which produces the circuit's basic tone. The multivibrator's frequency is:The component values produce a 668-Hz tone. IC1C buffers the multivibrator's output to the 8- Ω speaker. Current-limiting resistor R2, determines the speaker's volume. R2 minimum value is 220 Ω. IC1D and IC1E form an asymmetric, astable multivibrator, which adds a chime effect to the circuit's basic tone. The chime effect's frequency is:R7 gives this rate multivibrator a slowly varying output signal to produce a pleasant decay for the chime effect. IC1F is an inverting amplifier for the chime multivibrator.
Reprinted Url Of This Article:
http://www.seekic.com/circuit_diagram/Basic_Circuit/SINGLE_CHIP_CHIME.html
Print this Page | Comments | Reading(3)
Code: