Published:2009/7/16 3:33:00 Author:Jessie | From:SeekIC

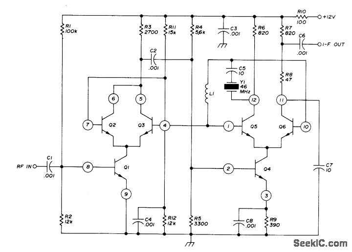
Covers all VHF amateur bands by using mixer-generated harmonics of 66-MHz crystal oscillator frequency for mixing action. IF can be tuned with any communication receiver. Fundamental is used directly, third harmonic of 138 MHz serves for 2 meters, fifth of 230 MHz for 220-MHz band, and ninth of 414 MHz for 420-MHz band. Q1-Q3 are broadband RF preamp. Y1 is plated overtone crystal oscillating at 46 MHz in series-resonant mode. Q5 and Q6 form differential-amplifier oscillator, and Q4 is mixer driver. No tuning is required in converter, but external tuning is required to prevent device from working on all bands at once. All transistors are part of RCA CA3049T IC, for which pin numbers are circled. L1 is 72 inches of No. 30 enamel, doubled and twisted 1 turn per inch and wound on 1-meg-ohm 1/2-W resistor to form quarter-wave trans-mission line. -S. Smith, Four-Band VHF Receiving Converter, Ham Radio, Oct. 1976, p 64-66.
Reprinted Url Of This Article:
http://www.seekic.com/circuit_diagram/Basic_Circuit/SINGLE_CRYSTAL_FOR_46_TO_420_MHz.html
Print this Page | Comments | Reading(3)
Code: