Published:2009/7/16 2:19:00 Author:Jessie | From:SeekIC

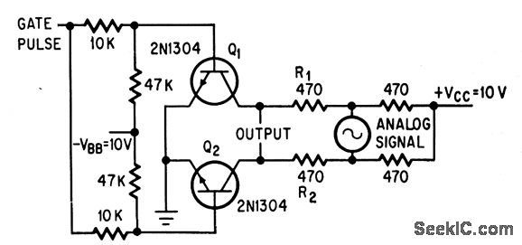
Two transistors act as balanced shorting switch, eliminating pedestal effects that normally necessitate dual-polarity gate pulses for analog signal. Positive 10-V pulse saturates both transistors, thereby grounding both output terminals to give isolation from input signal. Analog signal being gated can be as low as 5-mv rms.-L. E. Frenzel, Jr., Gate Circuit Eliminates Pedestal Effects, Electronics, 37:15, p 77.
Reprinted Url Of This Article:
http://www.seekic.com/circuit_diagram/Basic_Circuit/SINGLE_POSITIVE_PULSE_GATES_SINE_WAVE_SIGNAL.html
Print this Page | Comments | Reading(3)
Code: