Published:2009/7/14 21:22:00 Author:May | From:SeekIC

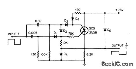
Uses only one silicon controlled switch to perform flip-flop function over wide temperature range. Differentiated positive pulses are applied to cathode pate and anode gate alternately to turn scs on and off. If gate leads are brought out separately, circuit can be used as set-reset flip-flop.-E. Koda, Single-SCS Flip-Flop, EEE, 13;2, p 63.
Reprinted Url Of This Article:
http://www.seekic.com/circuit_diagram/Basic_Circuit/SINGLE_SCS_FLIP_FLOP.html
Print this Page | Comments | Reading(3)
Code: