Published:2009/7/6 22:04:00 Author:May | From:SeekIC

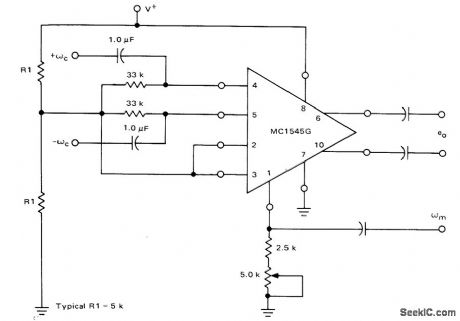
Motorola MC1545 gated video amplifier is connected as amplitude modulator operating from single supply. Artificial ground is established for IC at half of supply voltage by 5K resistors R1, which should draw much more than bias current of 15μA. All signals must be AC coupled to prevent application of excessive common-mode voltage to IC.- Gated Video Amplifier Applications-the MC1545, Motorola, Phoenix, AZ, 1976, AN-491, p 15.
Reprinted Url Of This Article:
http://www.seekic.com/circuit_diagram/Basic_Circuit/SINGLE_SUPPLY_AM.html
Print this Page | Comments | Reading(3)
Code: