Published:2009/7/10 5:46:00 Author:May | From:SeekIC

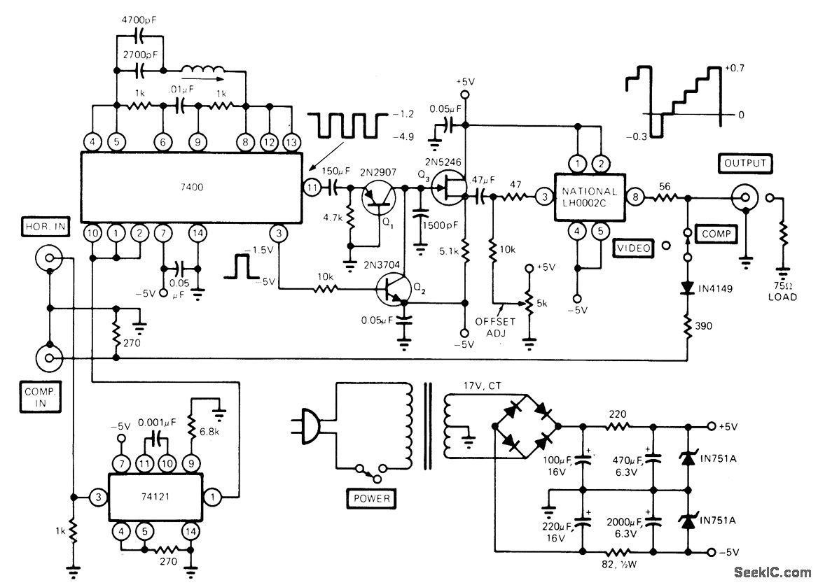
Circuit accepts negatively referenced output signals of TV sync generator and delivers 1 V P-P six-step composite video signal to 75-ohm load. 74121 mono changes wide horizontal blanking pulse to correct width for triggering oscillator IC. National LH002C current driver provides low-impedance drive capability for video signal. Used in testing TV sets and VTR decks.-M. J. Salvati, VFO Adds Versatility to TV Sync Generator, EDN Magazine, May 20, 1974, p 70 and 72.
Reprinted Url Of This Article:
http://www.seekic.com/circuit_diagram/Basic_Circuit/SIX_STEP_COMPOSITE_VIDEO.html
Print this Page | Comments | Reading(3)
Code: