Published:2009/7/9 1:48:00 Author:May | From:SeekIC



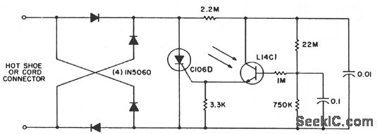
This circuit is used for remote photographic flash units that flash at the same time as the flash attached to the camera. This circuit is designed to the trigger cord or hot shoe connection of a commercial portable flash unit and triggers the unit from the light produced by the light of the flash unit attached to the camera. This provides remote operation without the need for wires or cables between the various units. The flash trigger unit should be connected to the slave flash before turning the flash on to prevent a dV/dt triggered flash on connection. The L14C1 phototransistor has a wide, almost cosine viewing angle, so alignment is not critical. If a very sensitive, more directional remote trigger unit is desired, the circuit can be modified using an L14G2 lensed phototransistor as the sensor.The lens on this transistor provides a viewing angle of approximately 10° and gives over a 10 to 1 improvement in light sensitivity (3 to 1 range improvement). Note that the phototransistor is connected in a self-biasing circuit which is relatively insensitive to slow-changing ambient light, and yet discharges the 0.01-μF capacitor into the C106D gate when illuminated by a photo flash. For a physically smaller size, the C106D can be replaced by a C205D, if the duty cycle is reduced appropriately.
Reprinted Url Of This Article:
http://www.seekic.com/circuit_diagram/Basic_Circuit/SLAVE_PHOTOGRAPHIC_XENON_FLASH_TRIGGER.html
Print this Page | Comments | Reading(3)
Code: