Published:2009/7/6 20:28:00 Author:May | From:SeekIC

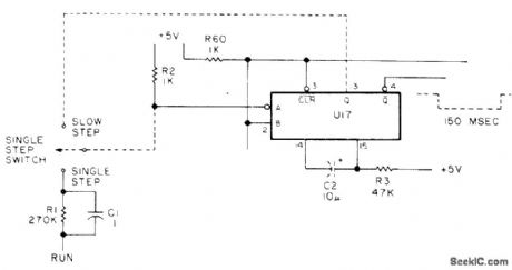
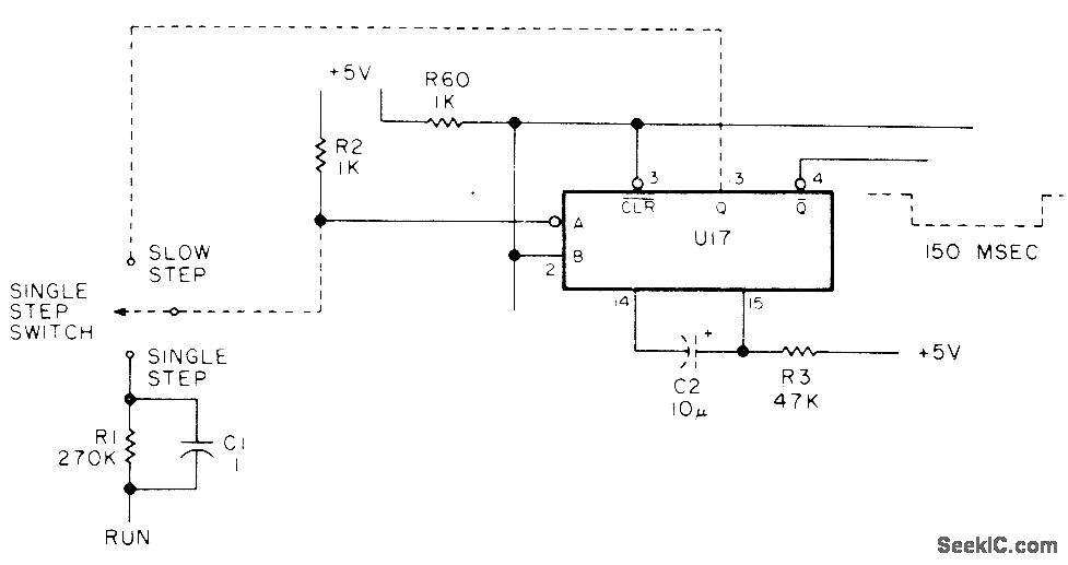
Addition of slow-stepping switch position to single-step circuit of micro.processor eliminates need for pushing single step switch repeatedly while executing endless loop program and watching address and data lights to see where program or hardware fails during debugging run. Circuit uses 74123 mono MVBR to give 1,5-ms pulses on single step and 150-ms on slow step.-H. R. Bendrot, The Slow-Stepping Debugger, Kilobaud, April 1977, p 60.
Reprinted Url Of This Article:
http://www.seekic.com/circuit_diagram/Basic_Circuit/SLOW_STEPPER.html
Print this Page | Comments | Reading(3)
Code: