Published:2009/7/7 9:51:00 Author:May | From:SeekIC

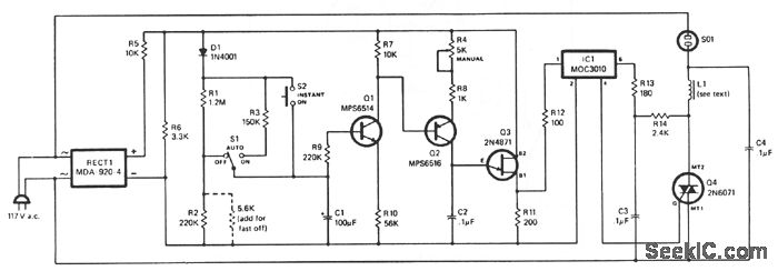
The dinuning action is controlled by varying the amount of current passed through triac Q4 and, thus, the lamp plugged into ac receptacle SOl. Unijunction transistor Q3 operates as a relaxation oscillator whose output pulse frequency depends on how fast capacitor C2 recharges after firing. Transistors Q1 and Q2 furnish the charging current, with the R3/C1 and RI/R2/C1 time-constant networks controlling the turn-on and turn-off times. Inside IC1 is a LED, a detector, and a small triac. In circuit, the low-level pulses coming from Q3 make the LED in IC1 emit short bursts of light that are picked up and converted into electrical current pulses by the internal detector. This small current triggers the internal triac, which then outputs the pulses to the gate of power triac Q4, triggering it on so that it delivers current to the lamp. Potentiometer R4 serves as a master control of the pulse rate and provides both manual control and a limit in the brightness of the lamp plugged into SO1. Momentarily pressing 52 causes the lamp to instantly turn on. Choke L1 suppresses any spikes produced by the power triac and limits interference with AM radio reception. No safeguards against interference need to be made for FM and TV reception, since these media are immune to this type of noise.
Reprinted Url Of This Article:
http://www.seekic.com/circuit_diagram/Basic_Circuit/SOLID_STATE_LIGHT_DISSOLVER.html
Print this Page | Comments | Reading(3)
Code: