Published:2009/7/14 1:00:00 Author:May | From:SeekIC

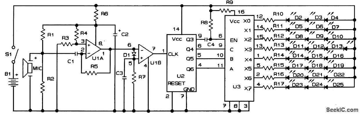
Switch S1,an ON/OFF switch,directs power from the 9-V battery to the circuit The first half of an LM358,U1A,is configured as a high-gain amplifier Resistors R3 and R4 form a voltage divider that sets the bias voltage at put 3,holding the amplifier in the Off state Resistors R1 and R2,also forming a voltage divider,set the bias point for the microphone When the audio input signal produced by the microphone exceeds the bias voltage,U1A turns on and operates as a high-gain amplifier(with the gain being set by resistor R5) Capacitor C1 couples the microphone’s signal to the amplifier’s inverting input,put 2 Resistor R6 and capacitor C2 are used as a filter network for the Op amp The second half of U1,U1B,is configured as a peak signal detector it is triggered by the negative half-cycle output of U1A Each negative half-cycle of the signal produces a positive clock signal to the input of U2,the seven-stage binary ripple counter Capacitor C3 Stores the average peak level of the input signal,and resistor R7 determines C3’s discharge tune.Integrated circuit U2 produces a binary count on its Q3 through Q6 outputs that is proportional to the frequency of the audio input signal The output of Q3 is connected,via capacitor C4,to the ENABLE pm of U3 When the input audio signal causes U2 to conduct,the relatively high-frequency output of Q3 enables U3 Resistor R3 maintains U3 In the Disabled mode Ill the absence of any audio input signal U3’s output lines,X0 through X7,are turned on and off in rapid Sequence,causing the LEDs to display a random flashing effect that is proportional to the original、al audio signal
Reprinted Url Of This Article:
http://www.seekic.com/circuit_diagram/Basic_Circuit/SOUND_ACTIVATED_CHRISTMAS_TREE.html
Print this Page | Comments | Reading(3)
Code: