Published:2009/7/6 20:48:00 Author:May | From:SeekIC

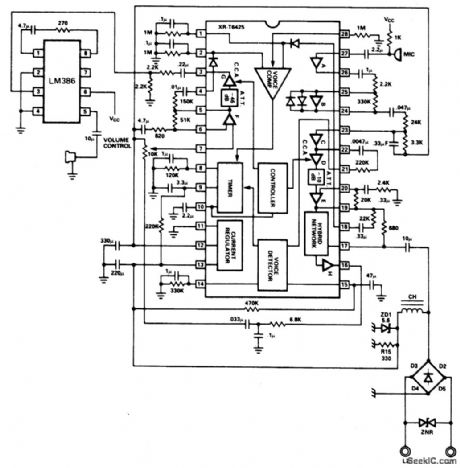
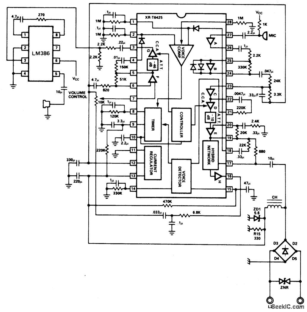
The XR-T6425 Speakerphone IC makes it possible to carry on conversation with-out using the handset, while the user is talking into a microphone and listening from a loudspeaker. It is ideal for hands-free conference calls. The XR-T6425 contains most of the circuits to eliminate singing and excessive background noise.
Reprinted Url Of This Article:
http://www.seekic.com/circuit_diagram/Basic_Circuit/SPEAKERPHONE.html
Print this Page | Comments | Reading(3)
Code: