Published:2009/7/10 5:56:00 Author:May | From:SeekIC

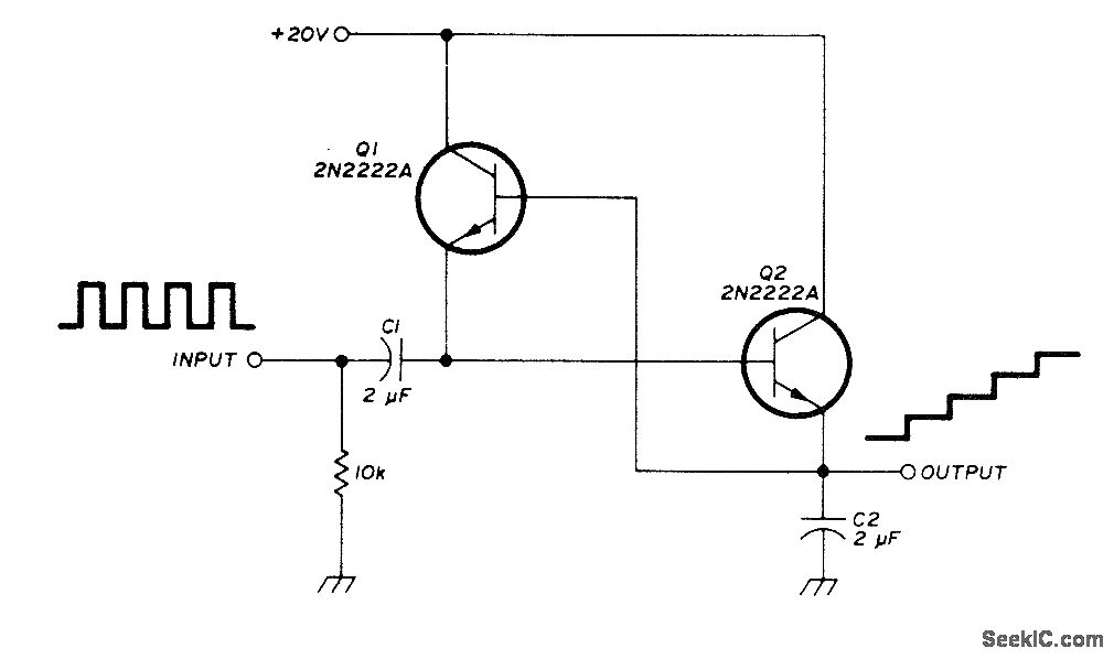
Simple staircase generator circuit converts square wave into staircase voltage output. Each step approximates level of input pulse. First pulse charges C2 to amplitude of input pulse. After pulse, voltage across C2 acts through on to charge Q1 to same voltage. Next pulse adds to voltage across C2, doubling its charge. Each subsequent pulse steps up height of staircase until it reaches level of supply voltage.-J. Fisk, Circuits and Techniques, Ham Radio, June 1976, p 48-52.
Reprinted Url Of This Article:
http://www.seekic.com/circuit_diagram/Basic_Circuit/SQUARE_TO_STEP.html
Print this Page | Comments | Reading(3)
Code: