Published:2009/7/7 4:37:00 Author:May | From:SeekIC

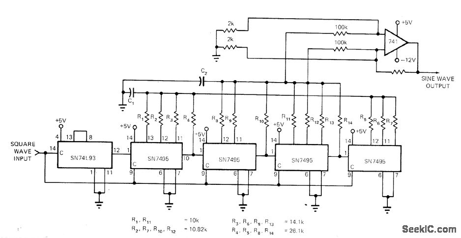
Transversal digital filter suppresses harmonics present on input square wave, to give pure sine wave. Resistors weight data as it passes through 16-bit shift register, so sine wave is sampled at 16 times its frequency and theoretically has no harmonics below the 16th. Simple RC filter removes remaining harmonics. Input is clock whose repetition rate is 16 times desired frequency. SN74L93 4-bit ripple counter divides this down to provide square wave of desired frequency. Square wave is sampled 16 times per cycle and shifted down SN7495 16-bit shift register. C1 and C2 are selected to eliminate higher harmonics. Sine-wave output has harmonic distortion of less than -50 dB.-L. J. Mandell, Sine-Wave
Synthesizer Has Low Harmonic Distortion, EDN Magazine, Aug. 15, 1972, p 52.
Reprinted Url Of This Article:
http://www.seekic.com/circuit_diagram/Basic_Circuit/SQUARE_TO_SlNE.html
Print this Page | Comments | Reading(3)
Code: