Published:2009/7/6 4:13:00 Author:May | From:SeekIC

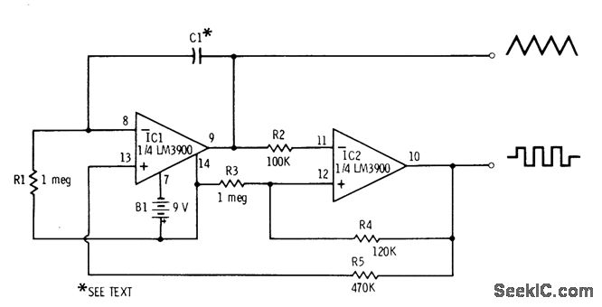
Two sections of LM3900 quad opamp are connected to generate dua-polarity triangle-and square-wave AF outputs while oρerating from single supply, byusing current mirror circuit at noninverting input Value used for C1 determines frequency and pulse width;frequency ranges from 0.5 Hz with 1 μF to 3800 Hz with 0.0001 μF and 21 kHzwith C1 omitted, Pulse-width rangeis 35μs without C1 to 1.6 s with 1 μF.-F.M Mims,″Integrated Circuit Projects,Vol.5,″Radio Shack,Fort Worth,TX,1977、2nd Ed. p 57-63
Reprinted Url Of This Article:
http://www.seekic.com/circuit_diagram/Basic_Circuit/SQUARE_TRIANGLE_AF.html
Print this Page | Comments | Reading(3)
Code: