Published:2009/7/10 4:12:00 Author:May | From:SeekIC

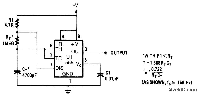
This 555 circuit produces a square wave. The frequency depends on the values of RT and CT, as per the design equations.
Reprinted Url Of This Article:
http://www.seekic.com/circuit_diagram/Basic_Circuit/SQUARE_WAVE_ASTABLE_CIRCUIT.html
Print this Page | Comments | Reading(3)
Code: