Published:2009/7/1 2:10:00 Author:May | From:SeekIC

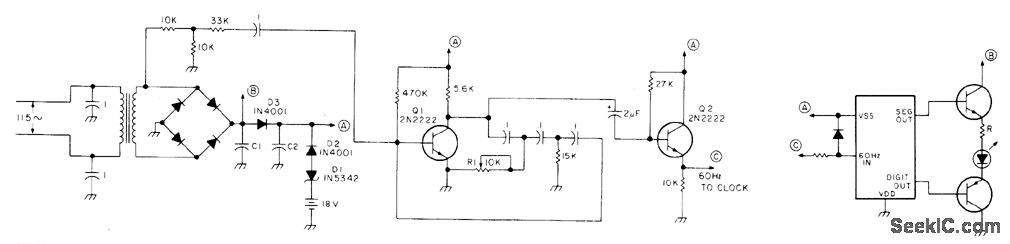
Phase-shift oscillator Ql operates from AC line through bridge-rectifier power supply and provides line-synchronized 60-Hz power to standard digital clock through isolating emitter-follower Q2. Curing power outage, oscillator is switched automatically to battery by diode network and provides reason-ably accurate signal for operating clock. Free-running oscillator is adjusted to be slightly Iow, such as 59.9 Hz. For reasonably Iong power outage, say 4 h, this 0.1-Hz error is equivalent to 0.167% error in time, so clock loses only 24 s during outage. C1 and C2 are 200 to 300 μF. Ad-just R1 to give output just below 60 Hz on battery operation. To minimize battery drain, LEDs on digital clock are not energized during standby.-R. S. Isenson, Digital Clock Fail-Safe, 73 Magazine, July 1977, p 168-169.
Reprinted Url Of This Article:
http://www.seekic.com/circuit_diagram/Basic_Circuit/STANDBY_SUPPLY.html
Print this Page | Comments | Reading(3)
Code: