Published:2009/7/14 23:51:00 Author:Jessie | From:SeekIC



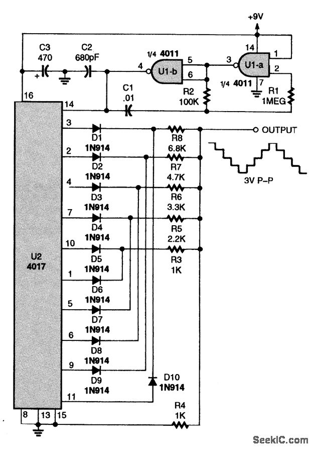
An astable multivibrator (made up of U1-a and U1-b) drives a 1-of-10 counter. A resistor matrix acts as a rough D-A converter and produces the stepped triangle waveform shown. The waveform can be tailored to suit by adjusting R3,through R8
Reprinted Url Of This Article:
http://www.seekic.com/circuit_diagram/Basic_Circuit/STEPPED_TRIANGLE_WAVEFORM_GENERATOR.html
Print this Page | Comments | Reading(3)
Code: