Published:2009/7/3 4:11:00 Author:May | From:SeekIC

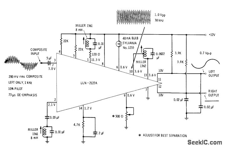
Single Sprague ULN-2122A IC is driven by composite signal derived at output of standard FM detector, to give original left- and right-channel audio signals for driving audio amplifiers of FM stereo receiver.-E. M. Noll, Linear IC Principles, Experiments, and Proiects, Howard W. Sams, Indianapolis, IN, 1974, p 263-266.
Reprinted Url Of This Article:
http://www.seekic.com/circuit_diagram/Basic_Circuit/STEREO_DECODER_.html
Print this Page | Comments | Reading(3)
Code: