Published:2009/7/10 6:07:00 Author:May | From:SeekIC

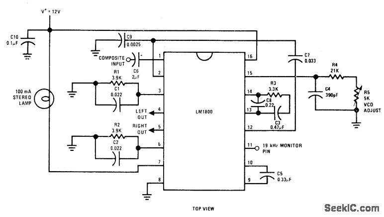
Single National LM1800 IC converts composite AF input signal to left and right signals for audio power amplifiers LED with series resistor can be used in place of 100-mA lamp.-“Audio Handbook,” National Semiconductor, Santa Clara, CA, 1977, p 3-23-3-27.
Reprinted Url Of This Article:
http://www.seekic.com/circuit_diagram/Basic_Circuit/STEREO_FM_DEMODULATOR.html
Print this Page | Comments | Reading(3)
Code: