Published:2009/7/7 22:32:00 Author:May | From:SeekIC

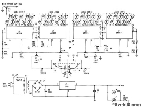
The Stereo Power Meter is made up of two identical circuits and a power supply. Each circuit contains two LM3914 display chips which contain 10 voltage comparators, a 10-step voltage divider, a referencevoltage source, and a mode-select circuit that selects a bar or dot display via a logic input at pin 9. The brightness of the LEDs is controlled by the 1900-Ω resistors and the reference voltage is controlled by the 3900-Ω resistors. The 10-step voltage divider within the chips is connected between the reference voltage and ground. Since each step of the voltage divider is separated by a 1-KΩ resistor, each comparator senses voltage 10% greater than the preceding comparator. The signal is applied to pin 5, which is buffered through a resistor-diode network and then amplified as it passes to each of the10 comparators. Each LED is arounded through the comparators as the input signal voltage matches the reference voltage. That results in one to 10 LEDs illuminating as the signal voltage increases.
Reprinted Url Of This Article:
http://www.seekic.com/circuit_diagram/Basic_Circuit/STEREO_POWER_METER.html
Print this Page | Comments | Reading(3)
Code: