Published:2009/7/12 22:45:00 Author:May | From:SeekIC

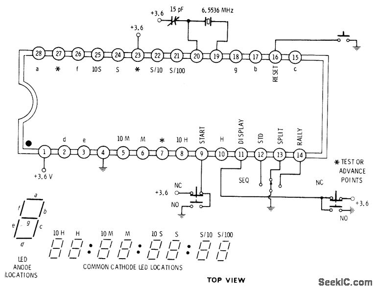
Intersil 7045 IC provides capability for driving digital display of time in hundredths of a second up through hours in four different operating modes selected by lower switches: sequential, standard, split, or rally. Grounding pin 9 momentarily with start switch initiates timing action. Repeated pressings of swhch activate operatirlg modes as selected. Grounding reset pin 16 clears stopwatch. IC can be connected directly to LED display, without drivers or resistors.-D. Lancaster, CMOS Cookbook, Howard W. Sams, Indianapolis, IN, 1977, p 159.
Reprinted Url Of This Article:
http://www.seekic.com/circuit_diagram/Basic_Circuit/STOPWATCH.html
Print this Page | Comments | Reading(3)
Code: