Published:2009/7/15 3:36:00 Author:Jessie | From:SeekIC

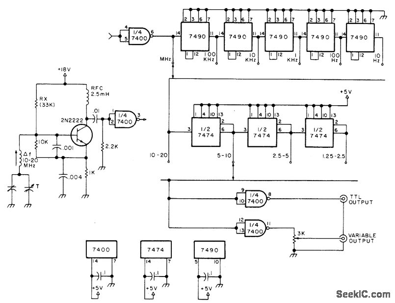
Square-wave signal source covers wide frequency range in fully tunable decade steps, as TTL signal source for experimentation with counters, microprocessors, and other logic circuits. Uses tunable 2N2222 transistor oscillator operating at 10-20 MHz, with switchable decade dividers for range selection and switchable binary dividers for band selection. Article covers construction and calibration,-A. G. Evans, Digital Signal Source, 73 Magazine, Dec. 1977, p 150-151.
Reprinted Url Of This Article:
http://www.seekic.com/circuit_diagram/Basic_Circuit/SUBAUDIO_T0_20_MHz.html
Print this Page | Comments | Reading(3)
Code: