Published:2009/7/9 23:07:00 Author:May | From:SeekIC

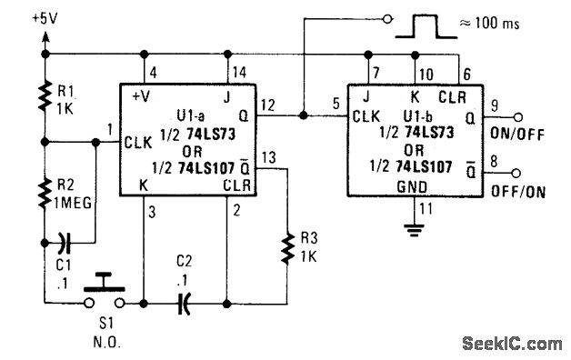
Using a 7473 JK flip-flop U1A connected as a monostable to drive U1B, as a switch debouncer. The circuit is self-clearing during power up. A 100-ms pulse is available at pin 12 U1A.
Reprinted Url Of This Article:
http://www.seekic.com/circuit_diagram/Basic_Circuit/SWITCH_BEBOUNCER.html
Print this Page | Comments | Reading(3)
Code: