Published:2009/7/13 22:26:00 Author:May | From:SeekIC

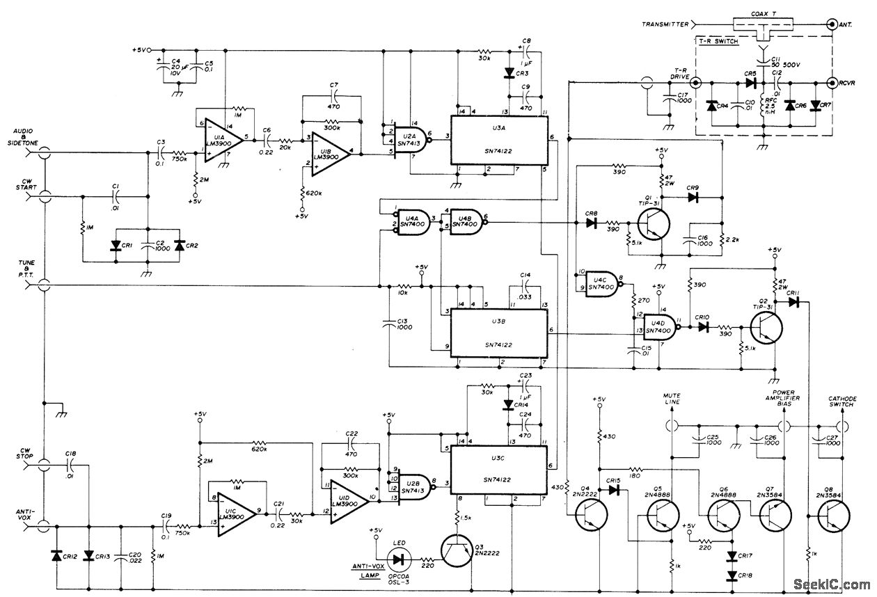
Provides instantaneous radiotelephone speech communication without conventional V0X relays. Switching transistors eliminate contact-bounce problems of relays. Designed for use with Drake T-4XB and R-4B transmitter and receiver. Also gives true breakin CW keying. Since only words and syllables of words go on air, there are no VOX RF transients and no extraneous local noise. Operating bias for final amplifier is applied only during transmission; at other times, final amplifier tubes are completely cut off. Diodes CR4-CR7, CR9, and CR11 are 1N4004 or equivalent. All other diodes are 1N914 or equivalent. RF choke is 2.5 mH rated 100 mA. Article describes operation in detail and gives installation and setup procedures.-R. W. Hitchcock, Syllabic V0X System for Drake Equipment, Ham Radio, Aug. 1976, p 24-29.
Reprinted Url Of This Article:
http://www.seekic.com/circuit_diagram/Basic_Circuit/SYLLABIT_VOX.html
Print this Page | Comments | Reading(3)
Code: