Published:2009/7/10 3:32:00 Author:May | From:SeekIC


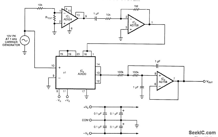
The circuit uses a synchronous-detection scheme to measure low-level resistances. Other low-resis-tance-measuring circuits sometimes inject unacceptable large currents into the system-under-test.This circuit synchronously demodulates the voltage drop across the system-under-test and can hence use extremely low currents while measuring resistance.The 10-V (pk), 1-kHz carrier generator injects a 1-mA reference current into unknown resistor, RTEST. Instrument amplifier IC1 and precision op amp IC2A amplify the voltage across RTEST by a gain of 100000. Synchronous detector IC3 demodulates this voltage, then op amp IC2B acts a low-pass filter on the demodulated voltage. The low-pass filtering will attenuate all uncorrelated disturbances (such as noise, drift, or offsets), while passing a dc voltage that is proportional to the unknown resistance.
The relationship between the output voltage and the unknown resistance is:
Reprinted Url Of This Article:
http://www.seekic.com/circuit_diagram/Basic_Circuit/SYNCHRONOUS_SYSTEM.html
Print this Page | Comments | Reading(3)
Code: