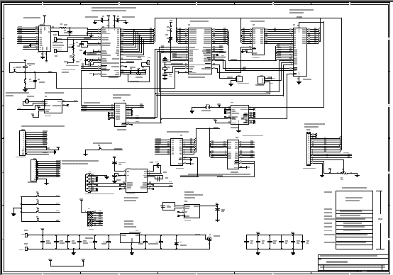
Published:2013/1/29 1:45:00 Author:muriel | Keyword: MiniLogger V3.0 | From:SeekIC

Reprinted Url Of This Article:
http://www.seekic.com/circuit_diagram/Basic_Circuit/Schematic_of_the_MiniLogger_V30.html
Print this Page | Comments | Reading(3)
Code: