Published:2013/12/24 20:17:00 Author:lynne | Keyword: Schematic passenger seat, | From:SeekIC

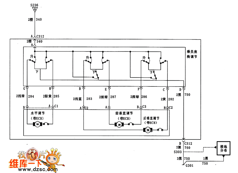
Passenger seat circuit shown in Figure:
Reprinted Url Of This Article:
http://www.seekic.com/circuit_diagram/Basic_Circuit/Schematic_passenger_seat.html
Print this Page | Comments | Reading(3)
Code: