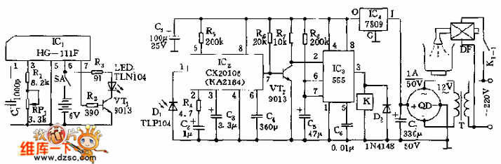
Published:2011/10/14 3:05:00 Author:Ecco | Keyword: Shielding infrared , automatical switching tap | From:SeekIC

Reprinted Url Of This Article:
http://www.seekic.com/circuit_diagram/Basic_Circuit/Shielding_infrared_automatical_switching_tap_circuit.html
Print this Page | Comments | Reading(3)
Code: