Published:2009/7/23 2:04:00 Author:Jessie | From:SeekIC

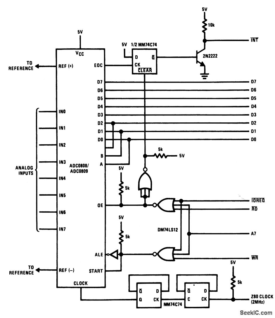
This circuit shows a simple Z80 interface for the ADC0808/0809, The inter-face is similar to that of Fig. 6-20, except that the interrupt is flip-flop closer to the 6800 (because of the Z80 INT is active low as in the 6800, but the INS8080 is active high).
Reprinted Url Of This Article:
http://www.seekic.com/circuit_diagram/Basic_Circuit/Simple_Z80_interface_for_A_D_converter.html
Print this Page | Comments | Reading(3)
Code: