Published:2011/6/27 22:22:00 Author:Ecco | Keyword: Simple , gradually dark, light, switch circuit | From:SeekIC

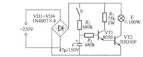
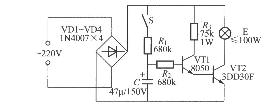
Usually the switch S is in the open state, and transistors VT1, VT2 are turned off, then light E is off. Just close the S, 220V AC is rectified by the VD1 ~ VD4 and becomes pulsating DC output, which will charge for capacitor C through switch S and resistor R, so the voltage across C is gradually increased. Thus VT1 can obtain the base bias from low to high by R2, then VT1, VT2 enter the enlarged state gradually from deadline state, finally into a fully on state, so the light E is brighten from dark gradually.
Reprinted Url Of This Article:
http://www.seekic.com/circuit_diagram/Basic_Circuit/Simple_gradually_dark_light_switch_circuit_1.html
Print this Page | Comments | Reading(3)
Code: