Published:2011/7/5 8:04:00 Author:Lucas | Keyword: Sine wave converter | From:SeekIC

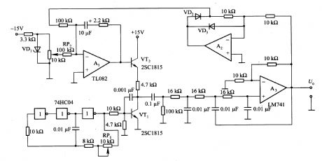
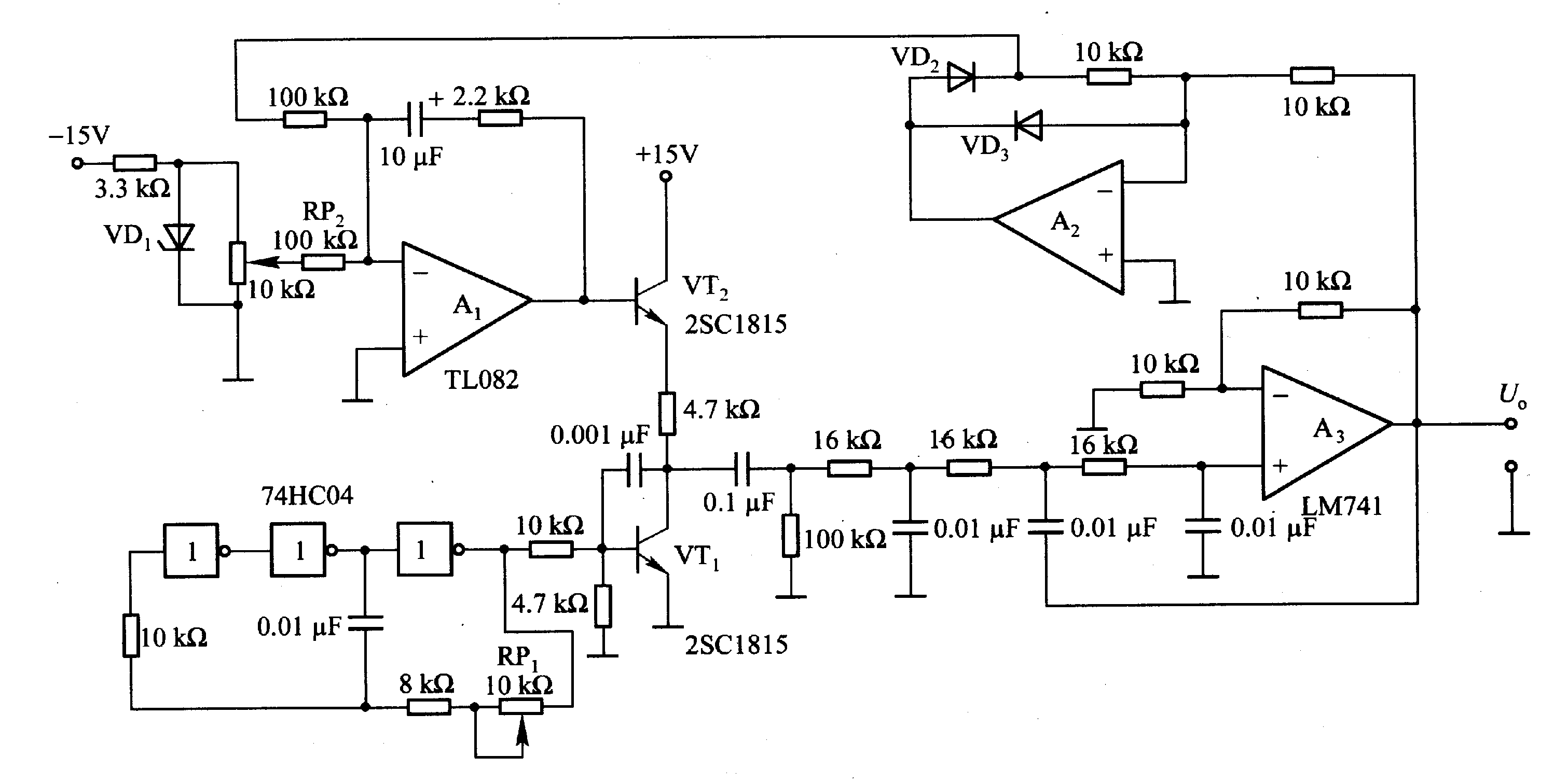
The circuit can be used as the signal source of calibration level meter or sensor-driven differential transformer. Circuit oscillation frequency is determined by the 74HCO4, and it is transferred lkHz by R. The supply voltage of Tl changes with the amplitude output. The switch turns the output voltage into square wave, then it will get sine wave by filtering the high frequency by low-pass filter. Waveform distortion depends on the performance of the filter, and the series of filter is used according to the need.
Reprinted Url Of This Article:
http://www.seekic.com/circuit_diagram/Basic_Circuit/Sine_wave_converter_circuit.html
Print this Page | Comments | Reading(3)
Code: