Published:2011/7/11 22:55:00 Author:Michel | Keyword: DC-DC Converter Circuit | From:SeekIC

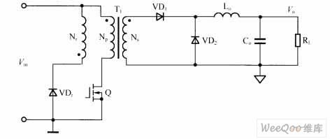
The single end forward DC-DC coverter circuit is showed as above.Among them, the transformer T1 acts as isolation and tranformation and an inductance Lo(flow current inductance) is added to output end,which acts as energy storage and transmission.The transformer primiray level has reset windings Np.In practical applications, the winding uses RCD to absorb can also be replaced.If the chips' auxiliary power supply is provided in the flyback way and part of the adjustable tube peak voltage can also be cutted(It is equivalent to part of the reset winding).Output loop needs a rectifier diode VD1 and a free-wheeling VD2 diode.Transformer uses magnetic cores without the gap thus the copper loses and temperature rising are small and output ripple voltage is small too.
Reprinted Url Of This Article:
http://www.seekic.com/circuit_diagram/Basic_Circuit/Single_End_Forward_DC_DC_Converter_Circuit.html
Print this Page | Comments | Reading(3)
Code: