Published:2011/6/24 0:54:00 Author:Michel | Keyword: Single-end, Flyback, DC-DC, Converter Circuit | From:SeekIC

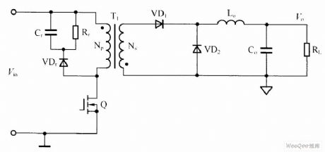
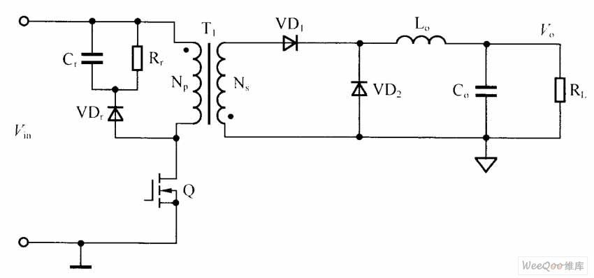
The single-end flyback DC-DC converter circuit is shown as above.Among them,transformer acts as isolation,transmission,energy storage.That's to say,Np stores energy when switch tube Q turns on and Np release energy to Ns when switch tube Q shuts off.A low-pass filter composed of a inductor Lo and capacitance Co is added to the output side,transformer primary level Cr, Rr and VDr constitute RCD leakage peak absorbing circuit.In output loop,a VD1 rectifier diode is needed.If the transformer uses the magnetic core with wind gap,the copper loss is big and temperature rising is relatively higher and its output ripple voltage is larger.But its advantage is that the circuit structure is simple and is suitable for less than 200W power supply.
Reprinted Url Of This Article:
http://www.seekic.com/circuit_diagram/Basic_Circuit/Single_end_Flyback_DC_DC_Converter_Circuit.html
Print this Page | Comments | Reading(3)
Code: