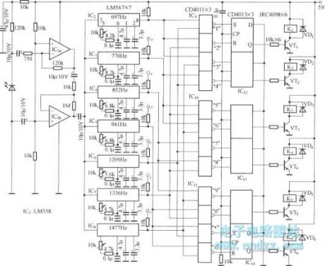
Published:2011/3/28 1:56:00 Author:Ecco | Keyword: Six channel remote | From:SeekIC

Reprinted Url Of This Article:
http://www.seekic.com/circuit_diagram/Basic_Circuit/Six_channel_remote_circuit_diagram_coded_by_LM567.html
Print this Page | Comments | Reading(3)
Code: