Published:2011/5/5 22:04:00 Author:Ecco | Keyword: Spectacular , owl , principle | From:SeekIC

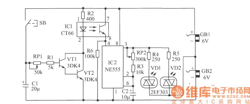
The owl circuit is shown as the chart, starting the reclosing button will make electronic owl's eyes immediately turn between red and green alternately. After a period of delay, the end result is that electronic owl is automatically transferred to rest as work fatigue . Components Selection: IC1 uses CT66 8-pin photocoupler manifold, which has two sets of optical couplers, the practical application only selects one group. IC2 can choose NE555, FD555, 5G555 and other types of time-base integrated circuits. VT1, VT2 select NPN silicon transistors, the available models are: 3DG6, 3DG8, 3DG12, 3DK2, 3DG182, 9013, etc., β can be greater than 50. VD1, VD2 use 2EF303 color light emitting diodes. All resistors used in the circuit choose (1 / 8) W metal film resistors.
Reprinted Url Of This Article:
http://www.seekic.com/circuit_diagram/Basic_Circuit/Spectacular_owl_principle_circuit_diagram.html
Print this Page | Comments | Reading(3)
Code: