Published:2014/3/30 21:24:00 Author:lynne | Keyword: Speech filter circuit diagram | From:SeekIC

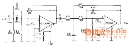
Speech filter circuit diagram as shown:
Reprinted Url Of This Article:
http://www.seekic.com/circuit_diagram/Basic_Circuit/Speech_filter_circuit_diagram.html
Print this Page | Comments | Reading(3)
Code: