Published:2011/6/9 4:01:00 Author:Lucas | Keyword: static electricity eliminator | From:SeekIC

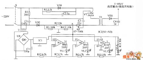
The static electricity eliminator circuit is composed of 12V regulated power supply circuit, pulse boosted circuit and LED output indication circuit, and the circuit is shown as the chart. 12V regulated power supply circuit is composed of the power transformer T1, bridge rectifier UR, filter capacitor C1 and the three-terminal voltage regulator integrated circuit IC1. Pulse booster circuit is composed of the resistors R1 ~ R5, capacitors C2 ~ C5, thyristor VT, potentiometer RP, diodes VD1 ~ VD3 and the step-up transformer T2. Output voltage indication circuit consists of resistors R6 ~ R13, light emitting diodes VL1 ~ VL4 and operational amplifier integrated circuit IC2 (N1 ~ N3). R1, R4 and R5 select 1/2W metal film resistors; R2 uses 3W metal film resistor; R3 uses 1W metal film resistor; R5 ~ R13 select 1/4W metal film resistors or carbon film resistors.
Reprinted Url Of This Article:
http://www.seekic.com/circuit_diagram/Basic_Circuit/Static_electricity_eliminator_circuit_diagram_1.html
Print this Page | Comments | Reading(3)
Code: