Published:2011/5/9 1:42:00 Author:Ecco | Keyword: PWM , monolithic, integrated circuit | From:SeekIC



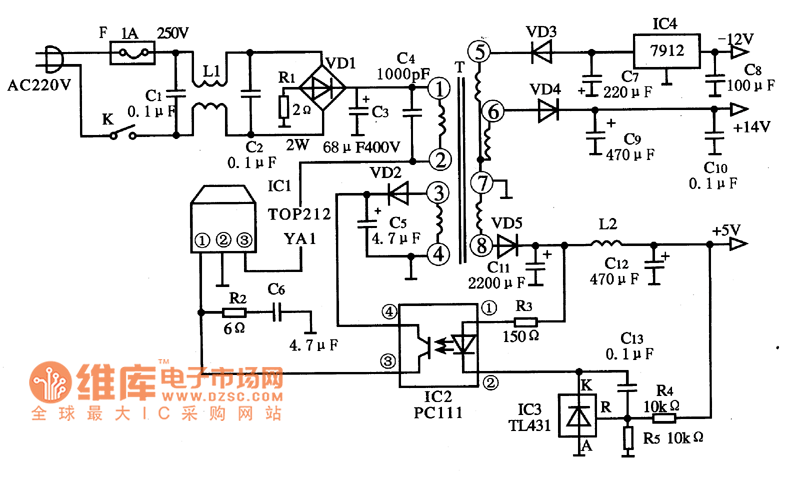
T0P212YA1 is the PWM monolithic switching power supply integrated circuit which is manufactured by the Power Company in the United States, it is widely used in switching power supply circuit of DVD, VCD, etc. DVD players, computers and monitors, air conditioner control system and various other household appliances. 1. pin functions and data T0P212YA1 IC uses separate three-pin package, the pin functions and data are listed in Table. T0P212YA1 integrated circuit pin functions and data 2. The typical application circuit and internal block circuitT0P212YA1 integrated circuit includes an oscillation circuit, driver circuit, various protection circuit. The block diagram of the circuit and the typical application circuit are shown as the chart.
Reprinted Url Of This Article:
http://www.seekic.com/circuit_diagram/Basic_Circuit/T0P212YA1_PWM_monolithic_integrated_circuit_diagram.html
Print this Page | Comments | Reading(3)
Code: