Published:2011/9/2 1:44:00 Author:Ecco | Keyword: Typical application | From:SeekIC

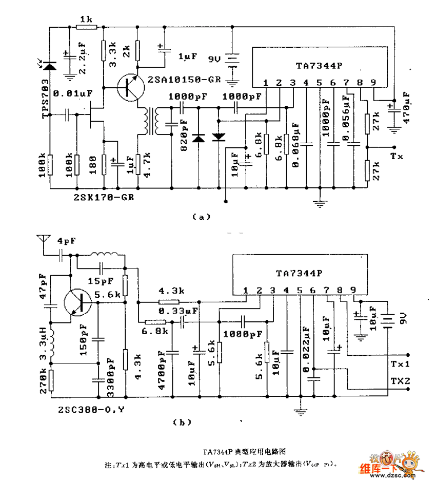
Tr1 is the high or low level output;Tr2 is the amplifier output.
Reprinted Url Of This Article:
http://www.seekic.com/circuit_diagram/Basic_Circuit/TA7344P_Typical_application_circuit_diagram.html
Print this Page | Comments | Reading(3)
Code: