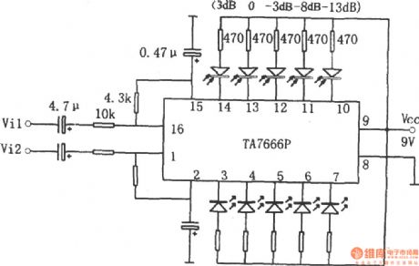
Published:2011/4/6 20:38:00 Author:Ecco | Keyword: dual five , LED level , display driving | From:SeekIC

Reprinted Url Of This Article:
http://www.seekic.com/circuit_diagram/Basic_Circuit/TA7666P_dual_five_LED_level_display_driving_circuit.html
Print this Page | Comments | Reading(3)
Code: