Published:2009/7/16 1:46:00 Author:Jessie | From:SeekIC

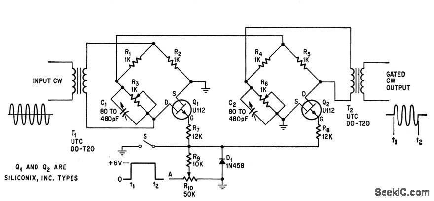
Provides tone bursts from 300-kc c-w input. Signal leakage in off condition is down 60 db.-F. J. Murphree and J. Bealor, FET in Bridge Circuit Gates a 300-KC Signal, Electronics, 38:9, p 60-61.
Reprinted Url Of This Article:
http://www.seekic.com/circuit_diagram/Basic_Circuit/TANDEM_BRIDGE_FET.html
Print this Page | Comments | Reading(3)
Code: