Published:2011/5/6 3:45:00 Author:Ecco | Keyword: 4-bit, timer , subtraction counter , integrated circuit | From:SeekIC


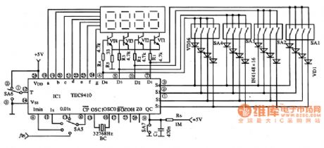
TEC9410 is a 4-bit Timer / subtraction counter IC, which is widely used in time relay, timer and BCD code subtraction counter. TEC9410 IC uses 28-pin dual in-line package, the pin-letter code and pin functions are listed in Table 1. The typical application circuit is shown in Figure 1. Table 1 shows TEC9410 IC pins and pin letter designations. Figure 1 shows the typical application circuit of TEC9410 integrated circuit.
Reprinted Url Of This Article:
http://www.seekic.com/circuit_diagram/Basic_Circuit/TEC9410_4_bit_timer___subtraction_counter_integrated_circuit_diagram.html
Print this Page | Comments | Reading(3)
Code: