Published:2009/7/14 3:17:00 Author:May | From:SeekIC

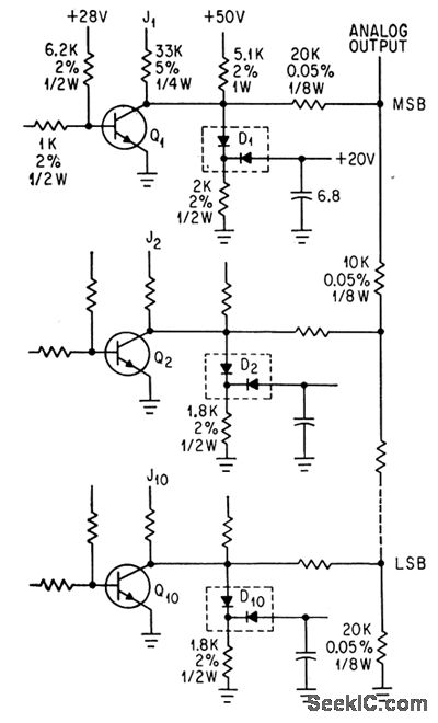
Ten identical stages (three are shown) use selected 2N2501 transistors and matched FA2054 clamping diodes to convert digital signals to equivalent analog voltages for driving servomotors, pen recorders, and deflection circuits of oscilloscopes.-C. R. Pearmcn and A. D. Popodi, How to Design High-Speed D-A Converters, Electronics, 37:8, p 28-32.
Reprinted Url Of This Article:
http://www.seekic.com/circuit_diagram/Basic_Circuit/TEN_BIT_D_A_CONVERTER.html
Print this Page | Comments | Reading(3)
Code: