Published:2009/7/15 1:53:00 Author:Jessie | From:SeekIC

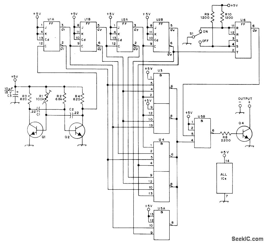
RTTY characters for R and Y are generated alternately in long series for checking system performance. (These letters give widest bandwidth of all character combinations.) Clock pulse at 45.5 Hz is generated by 2SC943 astable MVBR Q1-Q2. 74107 flip-flops U1A-U2B are connected as binary dividers for modulo-8 counter, so any bit between 0 and 7 is available for use with Signetics 8416A gates U3-U5 to feed desired character to 2SC372 output transistor. Automatic start/stop circuit using Fairchild 9945 docked flip-flop U6 ensures that sequence always starts with R and ends with Y. a4 conducts on mark and is cut off on space, for feeding frequency-shift keyer.-K. Sekine, A Simple RY Code Generator for TTY, QST, Dee. 1974, p 20-24.
Reprinted Url Of This Article:
http://www.seekic.com/circuit_diagram/Basic_Circuit/TEST_CODE_GENERATOR.html
Print this Page | Comments | Reading(3)
Code: