Published:2009/7/13 1:33:00 Author:May | From:SeekIC

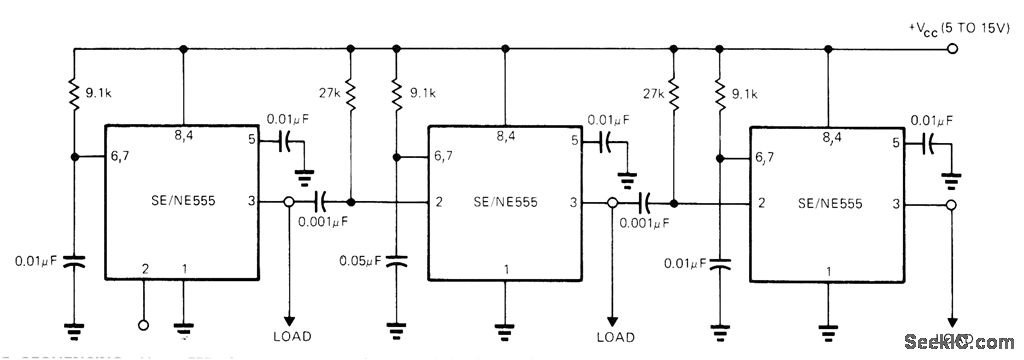
Uses 555 timers connected sequentially. With values shown, first timer runs for 10 ms after starting with pulse at terminal 2 or by grounding 2. At end of timing cycle, second circuit runs for 50 ms before triggering third circuit having 10-ms delay. Each timer controls its own load, as required for sequencing of automatic tester.-E. R. Hnatek, Put the IC Timer to Work in a Myriad of Ways, EDNMagazine, March 5, 1973, p 54-58.
Reprinted Url Of This Article:
http://www.seekic.com/circuit_diagram/Basic_Circuit/TEST_SEOUENCING.html
Print this Page | Comments | Reading(3)
Code: