Published:2009/7/14 5:01:00 Author:May | From:SeekIC

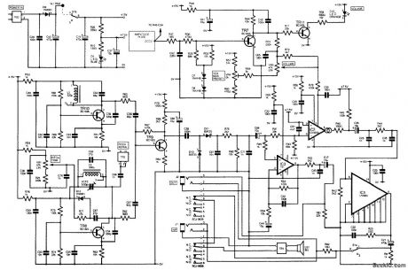
A theremin produces audio derived from mixing two high-frequency oscillators and using their audio-frequency difference as the note produced. Another oscillator is used to derive a volume-control signal, which varies the audio output level. Two or more oscillators are connected to short external rod or plate antenna electrodes; these are used as controls by bringing an object (one's hands) in proximity to them. By controlling hand movements, it is possible to create music or other sounds with this device.
Reprinted Url Of This Article:
http://www.seekic.com/circuit_diagram/Basic_Circuit/THEREMIN_CIRCUIT.html
Print this Page | Comments | Reading(3)
Code: