Published:2009/7/12 21:16:00 Author:May | From:SeekIC

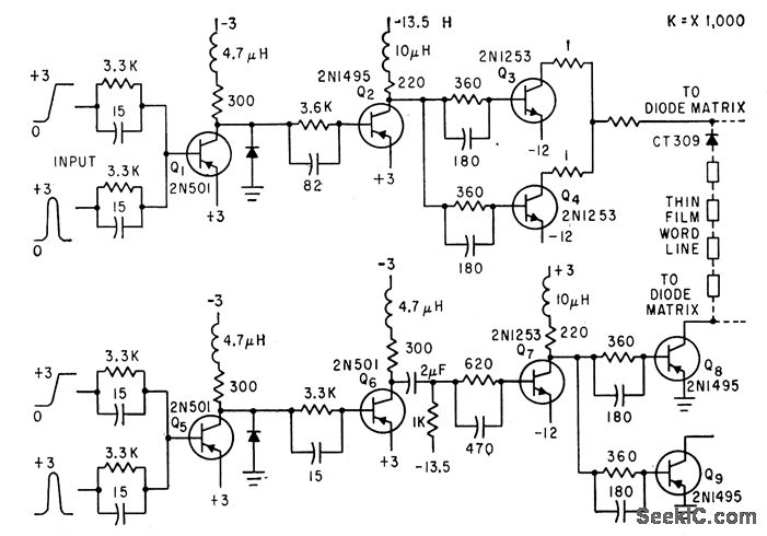
Generales l-amp pulses with 35-nsec rise and fall times, at rates up to 1 Mc, for driving 2,560-bit memory plane using 2,000-angstrom nickeliron films.-E. E. Bittmann, Ihin Magnetic Film Memories for High-Speed Computers, Electronics, 34:9, p39-41.
Reprinted Url Of This Article:
http://www.seekic.com/circuit_diagram/Basic_Circuit/THIN_FILM_MEMORY_DRlVER.html
Print this Page | Comments | Reading(3)
Code: