Published:2009/7/12 20:14:00 Author:May | From:SeekIC



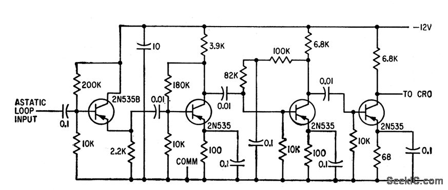
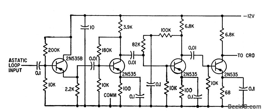
High-gain am plifier has gain of 65 db and produces saturated output for cro.-S. Feinstein and H. J.Weber,Electrical Readout from Thin Ferromagnetic Films,Electronics,33:31,p100-102.
Reprinted Url Of This Article:
http://www.seekic.com/circuit_diagram/Basic_Circuit/THIN_FILM_MEMORY_READOUT.html
Print this Page | Comments | Reading(3)
Code: