Published:2009/7/5 22:18:00 Author:May | From:SeekIC

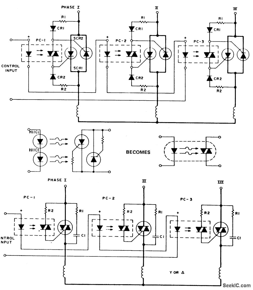
The following are three-phase switches for low voltage. Higher currents can be ob-tained by using inverse parallel SCRs which would be triggered as shown. To simplify the following schematics and facilitate easy understanding of the principles involved, the following schematic substitution is used (Note the triac driver is of limited use at 3 φ voltage levels).
Reprinted Url Of This Article:
http://www.seekic.com/circuit_diagram/Basic_Circuit/THREE_PHASE_SWITCH_FOR_INDUCTIVE_LOAD.html
Print this Page | Comments | Reading(3)
Code: